
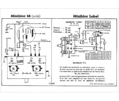
Marque :
Brunet
Modèle :
48
Type appareil :
Bobinage bloc d'accord
Année :
1948
Pays d'origine :
Espagne
