Retour à l'accueil
 
 
Recherche de schémas
Collection CD/DVD

Service schémathèque 

2 documents correspondent à votre recherche.

Caractéristiques de l'appareil
Marque :
Braun
Modèle :
Trumpf Junior 585 GL
Type appareil :
récepteur à tubes
Pays d'origine :
Allemagne
2 documents correspondant à cet appareil
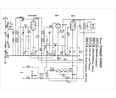
Schéma Braun Trumpf Junior 555 GL, Braun Trumpf Junior 565 GL, Braun Trumpf Junior 575 GL, Braun Trumpf Junior 585 GL
1 page
Document présent dans Rétro-docs 9 Acheter
En ligne, disponible en téléchargement Télécharger
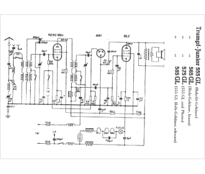
Schéma Braun Trumpf Junior 555 GL, Braun Trumpf Junior 585 GL, Braun Trumpf Junior 575 GL, Braun Trumpf Junior 565 GL
1 page
Document présent dans Rétro-docs 5 Acheter
En ligne, disponible en téléchargement Télécharger
Vous pouvez regrouper les téléchargements Tout télécharger
La consultation de cet espace schémathèque est en accès libre.