Retour à l'accueil
 
 
Recherche de schémas
Collection CD/DVD

Service schémathèque 

2 documents correspondent à votre recherche.

Caractéristiques de l'appareil
Marque :
Braun
Modèle :
Trumpf Junior 570 W
Type appareil :
récepteur à tubes
Pays d'origine :
Allemagne
2 documents correspondant à cet appareil
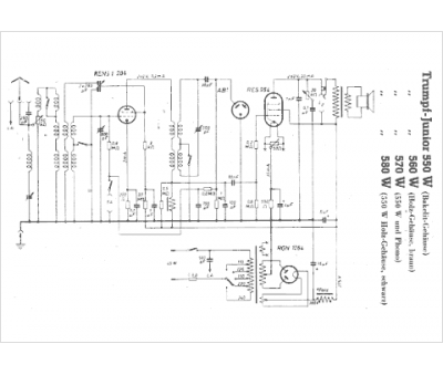
Schéma Braun Trumpf Junior 550 W, Braun Trumpf Junior 560 W, Braun Trumpf Junior 580 W, Braun Trumpf Junior 570 W
1 page
Document présent dans Rétro-docs 5 Acheter
En ligne, disponible en téléchargement Télécharger
Schéma Braun Trumpf Junior 550 W, Braun Trumpf Junior 560 W, Braun Trumpf Junior 570 W, Braun Trumpf Junior 580 W
1 page
Document présent dans Rétro-docs 9 Acheter
En ligne, disponible en téléchargement Télécharger
Vous pouvez regrouper les téléchargements Tout télécharger
La consultation de cet espace schémathèque est en accès libre.