
Marque :
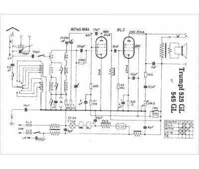
Braun
Modèle :
Trumpf 525 GL
Type appareil :
récepteur à tubes
Pays d'origine :
Allemagne
