
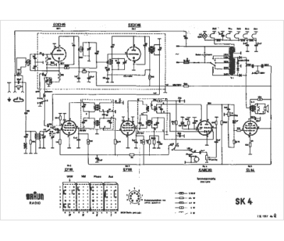
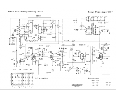
Marque :
Braun
Modèle :
SK 4
Type appareil :
récepteur à tubes
Année :
1957
Pays d'origine :
Allemagne
