
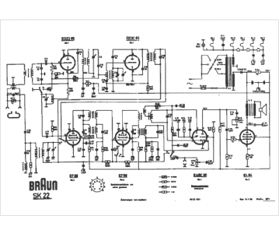
Marque :
Braun
Modèle :
SK 22
Type appareil :
récepteur à tubes
Pays d'origine :
Allemagne
