
Marque :
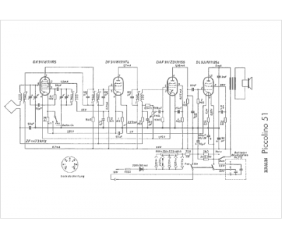
Braun
Modèle :
Piccolino 51
Type appareil :
récepteur à tubes
Pays d'origine :
Allemagne
