
Marque :
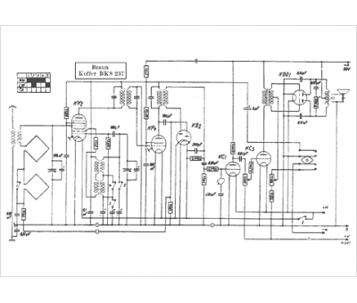
Braun
Modèle :
Koffer BKS 237
Type appareil :
récepteur à tubes
Pays d'origine :
Allemagne
