
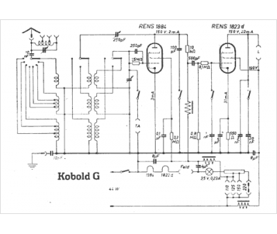
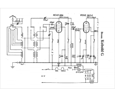
Marque :
Braun
Modèle :
Kobold G
Type appareil :
récepteur à tubes
Pays d'origine :
Allemagne
