
Marque :
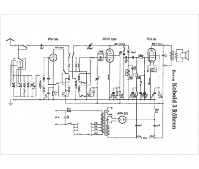
Braun
Modèle :
Kobold 3 R.
Type appareil :
récepteur à tubes
Pays d'origine :
Allemagne
