
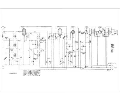
Marque :
Braun
Modèle :
BS 40
Type appareil :
récepteur à tubes
Pays d'origine :
Allemagne
