
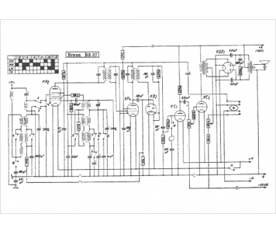
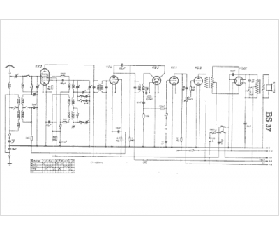
Marque :
Braun
Modèle :
BS 37
Type appareil :
récepteur à tubes
Pays d'origine :
Allemagne
