
Marque :
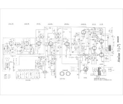
Braun
Modèle :
Atelier 1 (-7)
Type appareil :
récepteur à tubes
Pays d'origine :
Allemagne
