
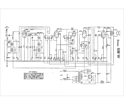
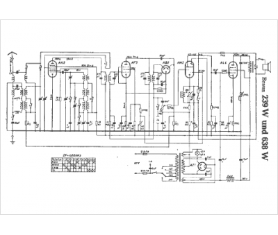
Marque :
Braun
Modèle :
638 W
Type appareil :
récepteur à tubes
Pays d'origine :
Allemagne
