
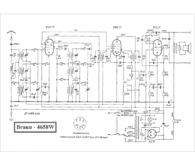
Marque :
Braun
Modèle :
4658 W
Type appareil :
récepteur à tubes
Pays d'origine :
Allemagne
