
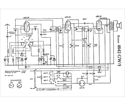
Marque :
Braun
Modèle :
4642 GW/1
Type appareil :
récepteur à tubes
Pays d'origine :
Allemagne
