
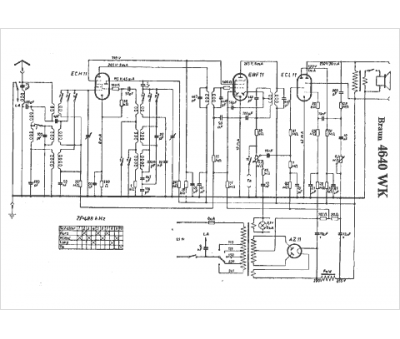
Marque :
Braun
Modèle :
4640 WK
Type appareil :
récepteur à tubes
Pays d'origine :
Allemagne
