
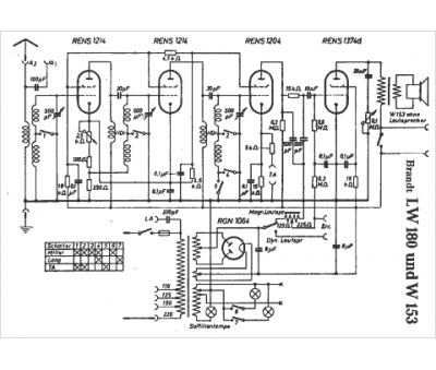
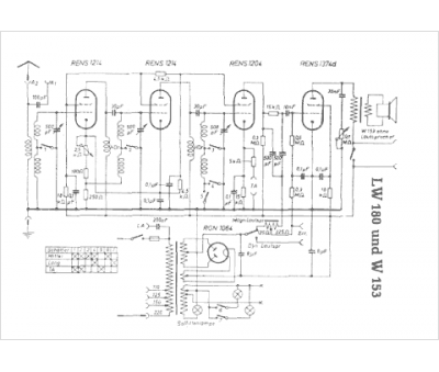
Marque :
Brandt
Modèle :
W 153
Type appareil :
récepteur à tubes
Pays d'origine :
Allemagne
