
Marque :
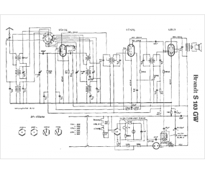
Brandt
Modèle :
S 103 GW
Type appareil :
récepteur à tubes
Pays d'origine :
Allemagne
