
Marque :
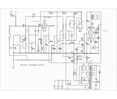
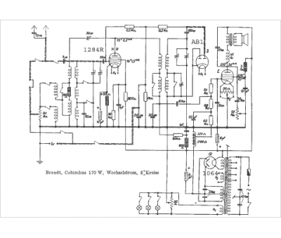
Brandt
Modèle :
Columbus 170 W
Type appareil :
récepteur à tubes
Pays d'origine :
Allemagne
