
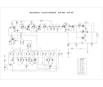
Marque :
Brandt
Modèle :
AR 20
Type appareil :
auto-radio à transistors
Pays d'origine :
Allemagne
