
Marque :
Brandt
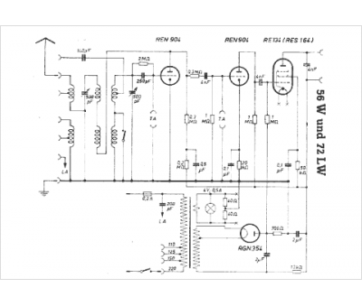
Modèle :
56 W
Type appareil :
récepteur à tubes
Pays d'origine :
Allemagne
