
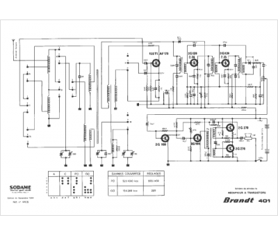
Marque :
Brandt
Modèle :
401
Type appareil :
récepteur à transistors
Pays d'origine :
Allemagne
