
Marque :
Brandt
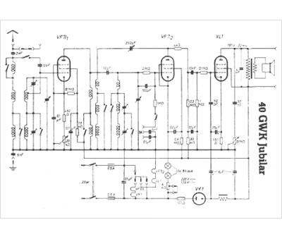
Modèle :
40 GWK-U Jubilar
Type appareil :
récepteur à tubes
Pays d'origine :
Allemagne
