
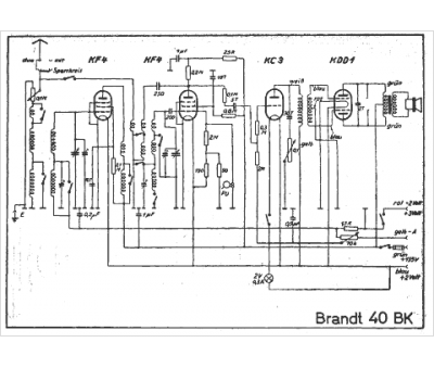
Marque :
Brandt
Modèle :
40 bk
Type appareil :
récepteur à tubes
Pays d'origine :
Allemagne
