
Marque :
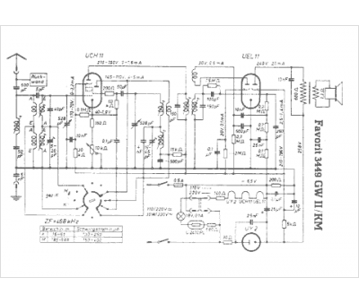
Brandt
Modèle :
3449 KM Favorit
Type appareil :
récepteur à tubes
Pays d'origine :
Allemagne
