
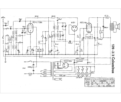
Marque :
Brandt
Modèle :
170-2-2 Columbus
Type appareil :
récepteur à tubes
Pays d'origine :
Allemagne
