
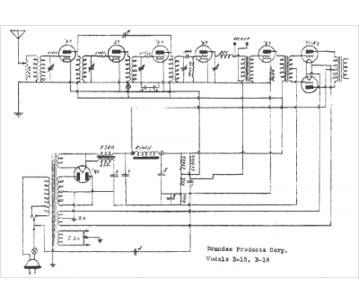
Marque :
Brandes
Modèle :
B15
Type appareil :
récepteur à tubes
Année :
1938
Pays d'origine :
États-Unis
