
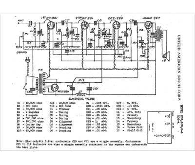
Marque :
Bosch
Modèle :
205
Type appareil :
récepteur à tubes
Année :
1932
Pays d'origine :
États-Unis
