
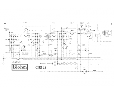
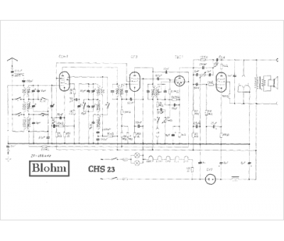
Marque :
Blohm
Modèle :
CHS 23
Type appareil :
récepteur à tubes
Pays d'origine :
Allemagne
