
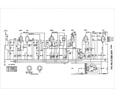
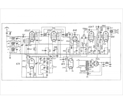
Marque :
Blohm
Modèle :
Belami
Type appareil :
récepteur à tubes
Pays d'origine :
Allemagne
