
Marque :
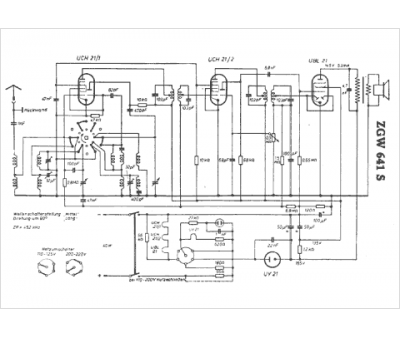
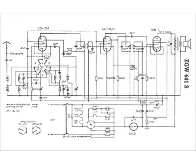
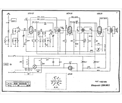
Blaupunkt
Modèle :
ZGW 641 s
Type appareil :
récepteur à tubes
Pays d'origine :
Allemagne
