
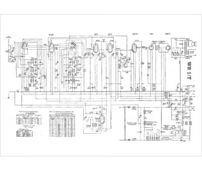
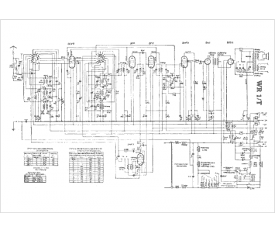
Marque :
Blaupunkt
Modèle :
W R1-T
Type appareil :
récepteur à tubes
Pays d'origine :
Allemagne
