
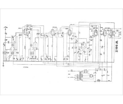
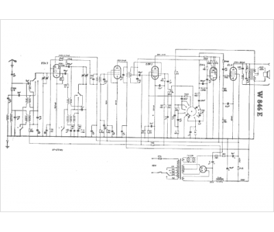
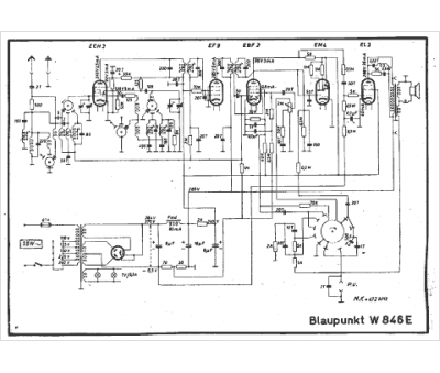
Marque :
Blaupunkt
Modèle :
W 846 e
Type appareil :
récepteur à tubes
Pays d'origine :
Allemagne
