
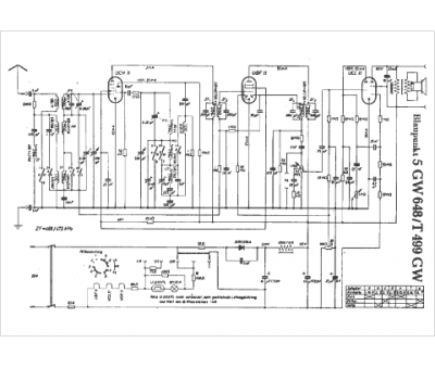
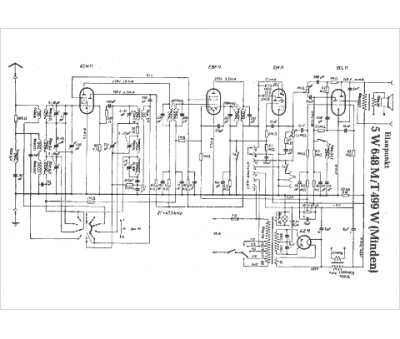
Marque :
Blaupunkt
Modèle :
T499W
Type appareil :
récepteur à tubes
Pays d'origine :
Allemagne
