
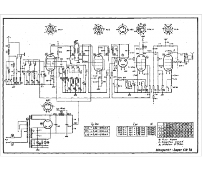
Marque :
Blaupunkt
Modèle :
Super 6 w 78
Type appareil :
récepteur à tubes
Pays d'origine :
Allemagne
