
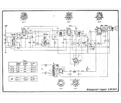
Marque :
Blaupunkt
Modèle :
Super 5 w 641
Type appareil :
récepteur à tubes
Pays d'origine :
Allemagne
