
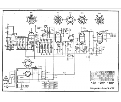
Marque :
Blaupunkt
Modèle :
Super 4 w 77
Type appareil :
récepteur à tubes
Pays d'origine :
Allemagne
