
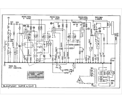
Marque :
Blaupunkt
Modèle :
Super 4 lwp
Type appareil :
récepteur à tubes
Année :
1933
Pays d'origine :
Allemagne
