
Marque :
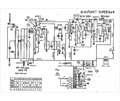
Blaupunkt
Modèle :
Super 3w 4
Type appareil :
récepteur à tubes
Année :
1934
Pays d'origine :
Allemagne
