
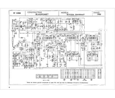
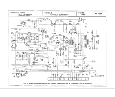
Marque :
Blaupunkt
Modèle :
Riviera omnimat
Type appareil :
récepteur à tubes
Année :
1966
Pays d'origine :
Allemagne
