
Marque :
Blaupunkt
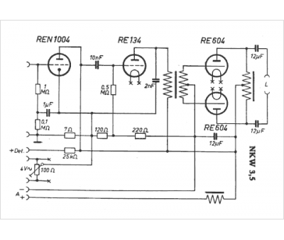
Modèle :
NKW 3.5
Type appareil :
récepteur à tubes
Pays d'origine :
Allemagne
