
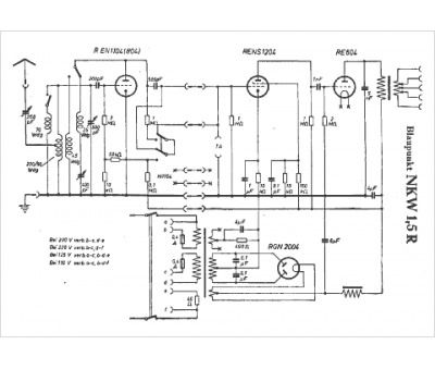
Marque :
Blaupunkt
Modèle :
NKW 1.5R
Type appareil :
récepteur à tubes
Pays d'origine :
Allemagne
