
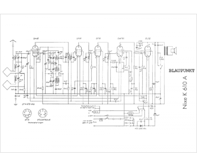
Marque :
Blaupunkt
Modèle :
Nixe K 610 A
Type appareil :
récepteur à tubes
Pays d'origine :
Allemagne
