
Marque :
Blaupunkt
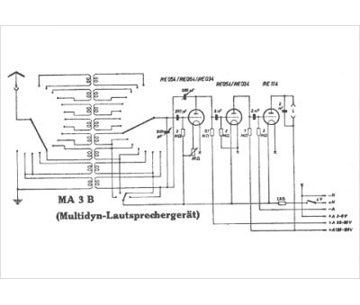
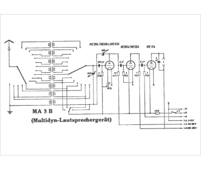
Modèle :
MA 3 B
Type appareil :
récepteur à tubes
Pays d'origine :
Allemagne
