
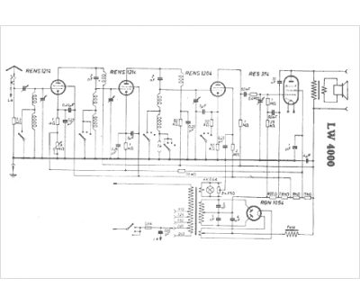
Marque :
Blaupunkt
Modèle :
LW 4000
Type appareil :
récepteur à tubes
Pays d'origine :
Allemagne
