
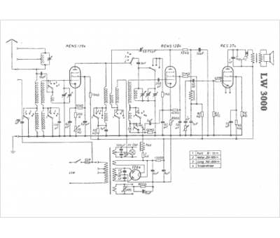
Marque :
Blaupunkt
Modèle :
Lw 3000
Type appareil :
récepteur à tubes
Année :
1933
Pays d'origine :
Allemagne
