
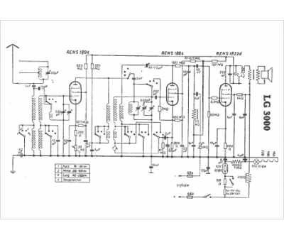
Marque :
Blaupunkt
Modèle :
Lg 3000
Type appareil :
récepteur à tubes
Année :
1934
Pays d'origine :
Allemagne
