
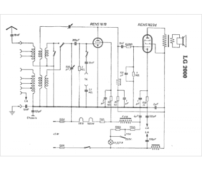
Marque :
Blaupunkt
Modèle :
LG 2000
Type appareil :
récepteur à tubes
Pays d'origine :
Allemagne
