
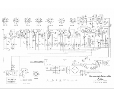
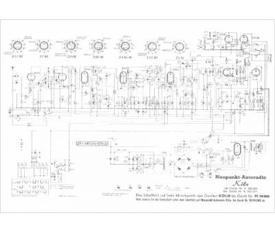
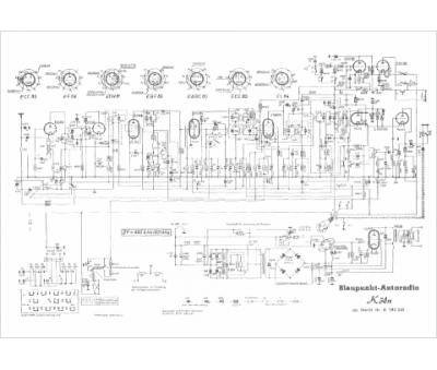
Marque :
Blaupunkt
Modèle :
Köln
Type appareil :
auto-radio à tubes
Pays d'origine :
Allemagne
